Le design modulaire du stator et du rotor dans le moteur sans cadre de 70mm, ainsi que l'optimisation des rapports d'encoches, améliore la densité de couple du moteur.
Le rotor possède un grand espace d'alésage interne, et le stator est conçu pour être installé de manière encastrée par le client, permettant une conception personnalisée, y compris des structures de montage et des systèmes de refroidissement, offrant ainsi une plus grande flexibilité pour les systèmes sur mesure.
La combinaison optimisée des encoches et des pôles réduit le couple de crantage du moteur, assurant un fonctionnement fluide.
La structure est compacte et hautement intégrée.
Dans un environnement mobile, vous pouvez déplacer à gauche et à droite pour voir le contenu (tableaux).
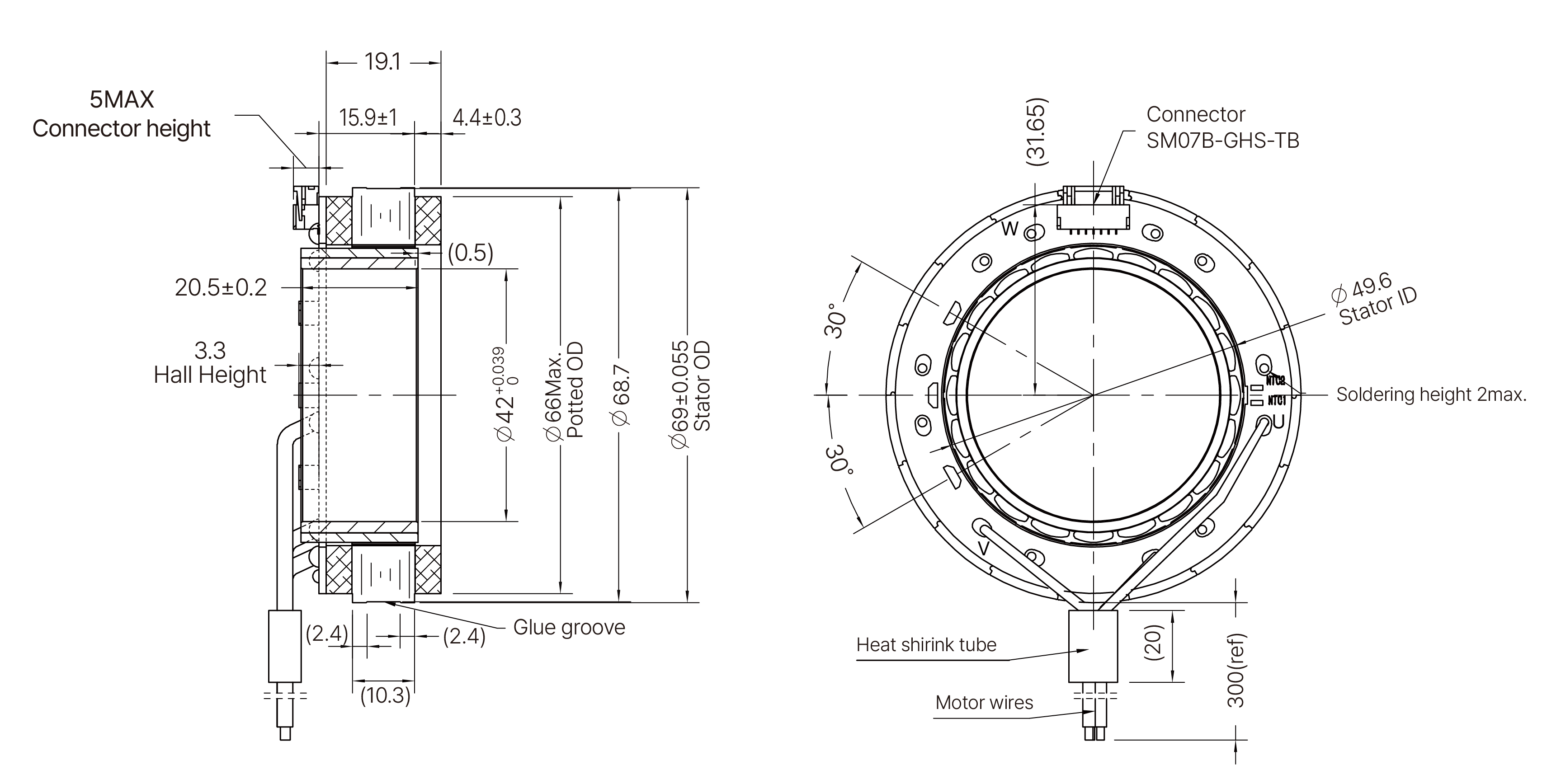
| Référence du moteur | - | 70ZWC20X-1 | 70ZWC25X-1 | |
|---|---|---|---|---|
| Diamètre extérieur du stator | mm | 69±0.037 | 69±0.037 | |
| Diamètre intérieur du rotor | mm | 42+0.039 | 42+0.039 | |
| Longueur totale (L) | mm | 15.9 | 21.5 | |
| Longueur d’empilage (L1) | mm | 10.3 | 15.9 | |
| Longueur du rotor (L2) | mm | 20.5±0.2 | 26±0.2 | |
| Nombre de fentes | - | 18 | 18 | |
| Paires de pôles | - | 10 | 10 | |
| Résistance entre phases | Ω | 0.32 | 0.22 | |
| Inductance entre phases | mH | 0.52 | 0.35 | |
| Méthode de connexion des enroulements | - | Connexion en étoile | Connexion en étoile | |
| Classe d’isolation | - | F | F | |
| Type de service | - | S2 | S2 | |
| Méthode de retour | - | Capteur à effet Hall | Capteur à effet Hall | |
| Angle de commutation | - | 120° | 120° | |
| Résistance diélectrique (tension de tenue) | - | 500VAC/1mA/1s | 500VAC/1mA/1s | |
| Résistance d’isolement | - | 100 MΩ/500VDC | 100 MΩ/500VDC | |
| Poids du stator | g | 167.5 | 224 | |
| Poids du rotor | g | 72 | 90 | |
| Vitesse à vide | RPM | 4350 | 4400 | |
| Courant à vide | A | 0.5(REF) | 1.3(REF) | |
| Tension nominale | VDC | 48 | 48 | |
| Puissance nominale | W | 216 | 456 | |
| Couple nominal | N·m | 0.55 | 1.3 | |
| Vitesse nominale | RPM | 3750 | 3350 | |
| Courant nominal | A | 5.4 | 11.4 | |
| Constante de couple | Nm/A | 0.109 | 0.13 | |
| Constante FEM inverse (valeur efficace) | Vrms/Krpm | 8.1 | 9.6 | |
| Couple de crête | N·m | 1.65 | 2.6 | |
| Courant de crête | A | 14.2 | 21 | |
| Inertie du rotor | g·cm² | 358 | 455 | |
In a mobile environment, you can move left and right to see the contents (tables).
| Type de Connexion | Couleur des Fils | Fonction | |
|---|---|---|---|
| UL1332 AWG20 | Jaune | Phase U | |
| Rouge | Phase V | ||
| Noir | Phase W | ||
In a mobile environment, you can move left and right to see the contents (tables).
| Type de Connexion | Couleur des Fils | Fonction | |
|---|---|---|---|
| UL1332 AWG18 | Jaune | Phase U | |
| Rouge | Phase V | ||
| Noir | Phase W | ||